Produktbeskrivning
- Använd höghastighetsmotorn- och gör mjukvaruoptimering, den totala takten är 20 % snabbare än föregående generation;
- Lättare vikt, mindre underarmsstorlek, bättre tillgänglighet;
- Högt skydd: 1,2 axlar är utrustade med dammtät lock, och helt omgiven svetspistol används samtidigt;
- J4, J6-axel ihålig struktur, kan använda ihålig svetspistol;
- Inbyggd-användarledning, gasrör, svetskabel, slät kropp, rent utseende;
Produktintroduktion
TIG-svetsroboten CRP-RH14-06-W är konstruerad för hög precision, hastighet och hållbarhet i avancerade svetsapplikationer. Med en optimerad struktur, lägre vikt och förbättrat skydd säkerställer denna robotlösning större tillgänglighet, stabilitet och långsiktig tillförlitlighet i TIG-svetsproduktionslinjer.
Nyckelfunktioner och fördelar
● Hög-hastighet och optimerad prestanda
TIG-svetsroboten CRP-RH14-06-W är utrustad med en-höghastighetsmotor och avancerad mjukvaruoptimering och levererar ett produktionsslag som är 20 % snabbare än föregående generation.
● Lätt och kompakt design
Med en mindre underarmsstorlek och reducerad vikt säkerställer roboten bättre tillgänglighet i komplexa svetsmiljöer och trånga utrymmen.
● Förbättrat skydd
Skaft 1 och Skaft 2 är försedda med dammtäta höljen, medan den helt slutna svetspistoldesignen erbjuder maximalt skydd och tillförlitlighet under TIG-svetsning.
● Flexibilitet med ihålig axel
J4- och J6-axlarna har en ihålig struktur, vilket möjliggör sömlös integration med ihåliga svetspistoler, vilket ökar driftseffektiviteten och flexibiliteten.
● Integrerad kabeldragning och rent utseende
Inbyggd-användarledning, gasrör och svetskabel säkerställer en jämn kroppsstruktur, vilket resulterar i ett rent, stabilt och hållbart robotsystem för lång-användning.
Robotkroppens tekniska parametrar
|
Modell |
CRP-RH14-06-W |
|
|
Ärm form |
Vertikala multipelleder |
|
|
Frihetsgrad |
6 axel |
|
|
Maximal nyttolast |
6 kg |
|
|
Maximalt resande |
J1 |
士168 grader |
|
J2 |
-50 grader -170 |
|
|
J3 |
-78 grader ~150 grader |
|
|
J4 |
-190 grader -190 grader |
|
|
J5 |
-110 grader ~130 grader |
|
|
J6 |
士190 grader |
|
|
Maximal hastighet |
J1 |
230 grader /S |
|
J2 |
230 grader /S |
|
|
J3 |
230 grader /S |
|
|
J4 |
430/S |
|
|
J5 |
430/S |
|
|
J6 |
630 grader /S |
|
|
Tillåtet vridmoment |
J4 |
10N.m |
|
J5 |
10N.m |
|
|
J6 |
3N.m |
|
|
Tillåtet tröghetsmoment |
J4 |
0,25 kg.m² |
|
J5 |
0,25 kg.m² |
|
|
J6 |
0,05 kg.m² |
|
|
Upprepad positioneringsnoggrannhet |
土0,08 mm |
|
|
Maximalt räckvidd |
1468 mm |
|
|
Robotens kroppsvikt |
155 kg |
|
|
Installationsläge |
Mark, upp och ner montering.väggmontering |
|
|
Kroppsgränssnitt |
Reserverad IO |
16-stift |
|
Reserverad gas |
2*φ8mm |
|
|
Omgivande |
0~45 grader |
|
|
Relativ |
20%-80%RH (Ingen kondensation) |
|
|
Vibration |
Under 0,5G |
|
|
Andra |
Robotinstallationen måste vara borta från: brandfarliga eller frätande vätskor eller gaser, elektriska störningskällor |
|
|
IP-nivå |
Kropp IP54, handled IP67 |
|
|
Fördelar funktioner Applikation |
Kompakt struktur, hög hastighet, hög precision, hög utbyggbarhet och enkel användning |
|
|
Svetsning |
||
|
Elskåpskonfiguration |
G9 |
|
Installationsgränssnittsdiagram

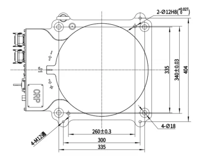
Installationsmått på basen

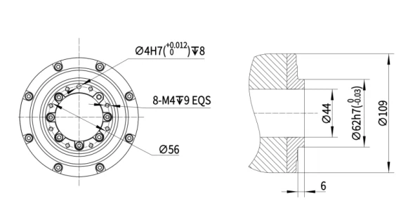
Flänsmått
Arbetsområdesdiagram



Populära Taggar: tig svetsrobot, Kina tig svetsrobot tillverkare, leverantörer, fabrik

